
對夾式襯膠蝶閥采用高精度氣動活塞式執行器與中線密封蝶閥組成,氣動襯膠蝶閥不僅具有優良的防腐、(耐堿、鹽性能,耐弱酸侵蝕)耐磨、減磨性能,(比普通蝶閥使用壽命可明顯延長)而且具有無毒、抗Jun、防霉等特點,更有操作力矩小,(比普通有銷蝶閥降低百分之四十)維修方便,外形美觀等突出優點。對夾式襯膠蝶閥主要用于水處理設備配套,廣泛用于食品、醫藥、化工、石油、電力、輕紡、造紙等給水排水、氣體管道上作調作充量和截流介質的場合。
產品詳情
對夾式襯膠蝶閥主要性能規范
公稱通徑DN(mm) | DN50~1200 | |||
公稱壓力 | PN(MPa) | 0.6 | 1 | 1.6 |
試驗壓力 | 強度試驗 | 0.9 | 1.5 | 2.4 |
密封試驗 | 0.66 | 1.1 | 1.76 | |
低壓氣密試驗 | 0.5~0.7 | |||
適用介質 | 空氣、水、污水、蒸氣、煤氣、油品等 | |||
對夾式襯膠蝶閥主要零件材質
零件名稱 | 材料 |
閥體 | 球墨鑄鋼+NBR、鑄鋼+NBR、不銹鋼+NBR |
蝶板 | 灰鑄鐵、球墨鑄鋼、鑄鋼、不銹鋼及特殊材料 |
閥桿 | 2Cr13、不銹鋼 |
填料 | O型圈、柔性石墨 |
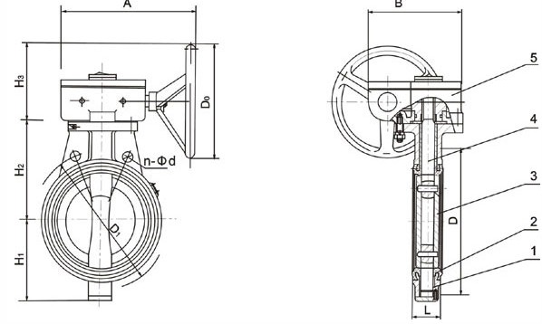
對夾式襯膠蝶閥安裝尺寸

公稱通經(DN) | 主要尺寸 | 法蘭尺寸 | |||||||||
L | L1 | H | H1 | A | 1.0MPa | 1.6MPa | |||||
D | D1 | n-Фd | D | D1 | n-Фd | ||||||
50 | 108 | 43 | 63 | 315 | 180 | 165 | 125 | 4-18 | 165 | 125 | 4-18 |
65 | 112 | 46 | 70 | 330 | 180 | 185 | 145 | 4-18 | 185 | 145 | 4-18 |
80 | 114 | 46 | 83 | 390 | 245 | 200 | 160 | 4-18 | 200 | 160 | 8-18 |
100 | 127 | 52 | 105 | 431 | 240 | 220 | 180 | 8-18 | 220 | 180 | 8-18 |
125 | 140 | 56 | 115 | 455 | 240 | 250 | 210 | 8-18 | 250 | 210 | 8-18 |
150 | 140 | 56 | 137 | 626 | 350 | 285 | 240 | 8-22 | 285 | 240 | 8-22 |
200 | 152 | 60 | 164 | 720 | 350 | 340 | 295 | 8-22 | 340 | 295 | 12-22 |
250 | 165 | 68 | 206 | 800 | 550 | 395 | 350 | 12-22 | 405 | 355 | 12-26 |
300 | 178 | 78 | 230 | 860 | 600 | 445 | 400 | 12-22 | 460 | 410 | 12-26 |
350 | 190 | 78 | 248 | 883 | 600 | 505 | 460 | 16-22 | 520 | 470 | 12-26 |
400 | 216 | 102 | 289 | 972 | 600 | 565 | 515 | 16-26 | 580 | 525 | 16-26 |
450 | 222 | 114 | 320 | 1043 | 750 | 615 | 565 | 20-26 | 640 | 585 | 16-30 |
500 | 229 | 127 | 342 | 1098 | 750 | 670 | 620 | 20-26 | 715 | 650 | 20-30 |
600 | 267 | 154 | 413 | 1236 | 750 | 780 | 725 | 20-30 | 840 | 770 | 20-33 |
700 | 430 | 165 | 478 | 1431 | 750 | 895 | 840 | 24-30 | 910 | 840 | 24-36 |
800 | 470 | 190 | 525 | 1488 | 750 | 1015 | 950 | 24-33 | 1025 | 950 | 24-39 |
900 | 510 | 203 | 585 | 1615 | 1250 | 1115 | 1050 | 28-33 | 1125 | 1050 | 28-39 |
1000 | 550 | 216 | 640 | 1765 | 1500 | 1230 | 1160 | 28-36 | 1255 | 1170 | 28-42 |
1200 | 630 | 254 | 755 | 1976 | 1500 | 1455 | 1380 | 32-39 | 1485 | 1390 | 32-48 |
相關新聞