
氣動水泥蝴蝶閥是專門用于粉體,顆粒物料的工業產品。閥體橡膠密封圈形成的軟性密封使其非常適合各利粉體,顆粒物料的應用場合,特別是對于磨損性強的物料。在需要重力落料或氣力輸送的粉體,顆粒物料處理系統中,蝴蝶閥常常被安裝在料斗,筒倉,螺旋輸送機出口以及氣送管路上。根據應用要求,可以單獨選配驅動手柄或者氣缸驅動套件。安裝維護簡便等特點,是一種成本-效益Ji高的粉體板、丁晴密封圈,覆以耐磨高分子材料加工而成。有手動、電動、氣動、齒輪馬達帶動等驅動裝置,可互為調換。雙法蘭蝴蝶閥帶有2個相同的法蘭面;而單法蘭蝴蝶閥下部配有一個伸出的連接環用以安裝軟套管。
產品詳情
D641X-16L氣動高性能蝶閥產品特點
緊湊的結構、超輕的重量,使您安裝使用更加方便;工業化的設計加上復合閥板的使用提供了Zui好的密封效果和Zui長的使用壽命。
主要型號有:φ100型-φ350型等七種規格。
單法蘭蝴蝶閥 | 含一個上法蘭和下部配有一個伸出的連接環用以安裝軟套管
|
雙法蘭蝴蝶閥 | 含上下兩個相同的法蘭 |
D641X-16L氣動高性能蝶閥參數
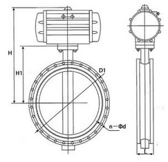
型號 | D641X-16L | |
公稱通徑(mm) | DN100-DN350 | |
壓力(Mpa) | 0.6-1.6 | |
主要零件 | 閥體 | 壓鑄鋁合金
|
閥板 | 碳鋼內襯板,覆以耐磨高分子材料 | |
密封圈 | 丁晴橡膠(NBR) | |
適用介質 | 水泥、泥漿、粉體 | |
適用溫度(℃) | -15-100 | |
氣動執行器 | 型號 | CP、GT系列、AT系列、AW系列 |
壓力(Mpa) | 0.4-0.7 | |

相關新聞