
ALDT941W-1/2.5/6C(ZAJW、ZKJW)電動調節通風蝶閥由DKJ角行程電動執行機構和蝶閥組成,它與電動單元組合儀表配合使用。對夾式電動調節蝶閥具有結構簡單、口徑大、重量輕、操作方便等優點。廣泛應用于冶金、電站石油、化工等部門。適用介質,煤氣、含塵氣體、煙道氣。
產品詳情
ALDT941W-1/2.5/6C(ZDLW-6B、ZDRW-6K)型電子式電動調節蝶閥,是3610R(L)全電子式電動執行機構和蝶閥調節機構組成,執行機構內有伺服系弘,無須另配伺服放大器。具有結構簡單,流通能力大,調節精度高等特點。執行機構可根據用戶要求配置型號電子式電執行機構廣泛應用于化工、石油、冶金、電站等工業生產過程中。適用介質,煤氣、含塵氣體、煙道氣等。
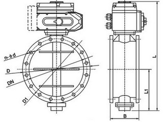
對夾式電動調節蝶閥主要外形及連接尺寸 D971(H、Y)-1.0、2.5(0.1、0.25MPa)

公稱通徑 | 外形尺寸 | 連接尺寸 | 執行器型號 | ||||||||||||
PN1.0 | PN2.5 | ||||||||||||||
L1 | L2 | H | H1 | L | D | D1 | b | n-φd | 1 | D | D1 | b | n-φd | ||
250 | 348 | 159 | 584 | 595 | 140 | 375 | 335 | 16 | 12-18 | 165 | 375 | 335 | 24 | 12-18 | GTD145 |
300 | 348/627 | 176/200 | 635/630 | 645 | 170 | 440 | 395 | 16 | 12-22 | 178 | 440 | 395 | 24 | 12-22 | GTD160/AW13 |
350 | 378/627 | 176/200 | 660/655 | 645 | 170 | 490 | 445 | 16 | 12-22 | 190 | 490 | 445 | 24 | 12-22 | GTD160/AW13 |
400 | 432/627 | 206/200 | 750/696 | 745 | 190 | 540 | 495 | 16 | 16-22 | 216 | 540 | 495 | 24 | 16-22 | GTD160/AW13 |
450 | 524/627 | 228/200 | 805/728 | 745 | 190 | 595 | 550 | 16 | 16-22 | 222 | 595 | 550 | 24 | 16-22 | GTD190/AW13 |
500 | 524/850 | 228/270 | 850/820 | 745 | 190 | 645 | 600 | 20 | 20-22 | 229 | 645 | 600 | 26 | 20-22 | GTD210/AW17 |
600 | 524/850 | 228/270 | 905/875 | 970 | 210 | 755 | 705 | 20 | 20-26 | 267 | 755 | 705 | 26 | 20-26 | GTD210/AW17 |
700 | 648/1158 | 275/350 | 1000/1084 | 970 | 210 | 860 | 810 | 20 | 24-26 | 292 | 860 | 810 | 26 | 24-26 | GTD255/AW20 |
800 | 648/1158 | 275/350 | 1060/1084 | 1020 | 210 | 975 | 920 | 20 | 24-30 | 318 | 975 | 920 | 26 | 24-30 | GTD255/AW20 |
900 | 648/1158 | 275/350 | 1110/1084 | 1220 | 250 | 1075 | 1020 | 20 | 24-30 | 330 | 1075 | 1020 | 26 | 24-30 | GTD255/AW20 |
1000 | 715/1158 | 324/375 | 1200/1126 | 1220 | 250 | 1175 | 1120 | 20 | 28-30 | 410 | 1175 | 1120 | 26 | 28-30 | GTD300/AW25 |
1200 | 715/1158 | 324/375 | 1330/1256 | 1240 | 250 | 1375 | 1320 | 20 | 32-30 | 470 | 1375 | 1320 | 28 | 32-30 | GTD300/AW25 |
1400 | 795/1448 | 380/460 | 1540/1483 | 1460 | 300 | 1675 | 1520 | 20 | 36-30 | 530 | 1675 | 1520 | 30 | 36-30 | GTD350/AW28 |
1600 | 795/1448 | 380/460 | 1605/1540 | 1250 | 300 | 1790 | 1730 | 24 | 40-30 | 600 | 1790 | 1730 | 34 | 40-30 | GTD350/AW28 |
1800 | 1880 | 545 | 1640 | 1520 | 300 | 1990 | 1930 | 24 | 44-30 | 670 | 1990 | 1930 | 36 | 44-30 | AW35 |
2000 | 1880 | 545 | 1740 | 1520 | 300 | 2190 | 2130 | 24 | 48-30 | 760 | 2190 | 2130 | 38 | 48-30 | AW35 |
上一條:電動法蘭式多層次硬密封蝶閥
下一條:電子式電動調節蝶閥
相關新聞