
硬密封蝶閥 當前位置: 法蘭閘閥廠家> 產品中心> 硬密封蝶閥> 對夾式氣動硬密封蝶閥
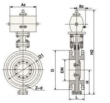
本公司生產的蝶閥是三偏心金屬對夾式氣動硬密封蝶閥,閥體和閥座為連體構件,閥座密封表面層堆焊耐溫、耐蝕合金材料。多層軟疊式密封圈固定在閥板上,這種蝶閥與傳統蝶閥相比具有耐高溫,操作輕便,啟閉無磨擦,關閉時隨著傳動機構的力矩增大來補償密封,提高了蝶閥的密封性能及延長使用壽命的優點。驅動方式可分為電動,氣動,液動。購買時詳細咨詢客服,對夾式氣動硬密封蝶閥適用于食品、醫藥、石油化工、工業環境及高層建筑和管道上作調節流量和截斷流體Zui佳裝置。
點擊查看對夾式硬密封蝶閥結構特點
產品詳情
對夾式氣動硬密封蝶閥主要技術參數
公稱通徑 | DNmm50-1200 | ||||
公稱壓力 | PNMPa | 1.0 | 1.6 | 2.5 | 4.0 |
試驗壓力 | 強度試驗 | 1.5 | 2.4 | 3.75 | 6.0 |
密封試驗 | 1.1 | 1.76 | 2.75 | 4.4 | |
適用介質 | 水、蒸汽、油品、酸類腐蝕性等 | ||||
適用溫度 | -40℃-600℃ | ||||

對夾式氣動硬密封蝶閥主要零部件材料
名稱 | 材 料 |
閥體 | 鑄鋼、不銹鋼、鉻鉬鋼 |
蝶板 | 鑄鋼、化合金鋼(鍍硬鉻)不銹鋼、鉻鉬鋼 |
閥桿 | 2Cr13、1Cr13不銹鋼、鉻鉬鋼 |
密封圈 | 不銹鋼、聚內脂、抗磨材料、氟塑料 |
填料 | 柔性石墨 |
相關新聞