
硬密封蝶閥 當前位置: 法蘭閘閥廠家> 產品中心> 硬密封蝶閥> D343H25法蘭式三偏心硬密封蝶閥
D343H25法蘭式三偏心硬密封蝶閥的蝶板安裝于管道的直徑方向作為一種用來實現管路系統通斷及流量控制的部件,在石油、化工、冶金、水電等許多領域中得到極為廣泛地應用。
產品詳情
D343H25法蘭式三偏心硬密封蝶閥產品特點
1、D343H25法蘭式三偏心硬密封蝶閥采用三偏心密封結構,閥座與蝶板幾乎無磨損,具有越觀越緊的密封功能
2、密封圈選用不銹鋼制作,具有金屬硬密封和彈性密封的雙重優點,無論在低溫和高溫的情況下,均具有優良的密封性能,具有耐腐蝕,使用壽命長等特點
3、蝶板密封面采用堆焊鈷基硬質合金,密封面耐磨損,使用壽命長
4、大規格蝶板采用絎架結構,強度高,過流面積大,流阻小
5、金屬硬密封蝶閥具有雙向密封功能,安裝時不受介質流向的限制,也不受空間位置的影響,可在任何方向安裝
6、驅動裝置可以多工位(旋轉90°或180°)安裝,便于用戶使用
D343H25法蘭式三偏心硬密封蝶閥主要技術參數
公稱通經DN(mm) | 50~2000 | |||
公稱壓力PN(MPa) | 0.6 | 1.0 | 1.6 | 2.5 |
密封試驗(MPa) | 0.66 | 1.1 | 1.76 | 2.75 |
強度試驗(MPa) | 0.9 | 1.5 | 2.4 | 3.75 |
適用溫度 | 碳鋼:-29℃~425℃ 不銹鋼:-40℃~650℃ | |||
適用介質 | 水、空氣、天然氣、油品及弱腐蝕性流體 | |||
泄漏率 | 符合GB/T13927-92標準 | |||
驅動方式 | 蝸輪傳動、電動、氣動、液動 | |||
D343H25法蘭式三偏心硬密封蝶閥主要零部件材料
零件名稱 | 材料 |
閥體 | WCB、合金鋼、不銹鋼、QT450-10 |
蝶板 | WCB、合金鋼、不銹鋼、QT450-10 |
閥軸 | 2Cr13不銹鋼、合金鋼 |
密封圈 | 不銹鋼圈 |
填料 | 柔性石墨 |

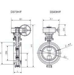
三偏心硬密封蝶閥結構
相關新聞