
硬密封蝶閥 當前位置: 法蘭閘閥廠家> 產品中心> 硬密封蝶閥> D43H手動硬密封蝶閥
D43H手動硬密封蝶閥采用三偏心密封結構,閥座與蝶板幾乎無磨損,具有越觀越緊的密封功能。密封圈選用不銹鋼制作,具有金屬硬密封和彈性密封的雙重優點,無論在低溫和高溫的情況下,均具有優良的密封性能,具有耐腐蝕,使用壽命長等特點。被廣泛用于:化工、石化、冶煉、醫藥、食品等行業中SO2、蒸汽、空氣、煤氣、氨氣、CO2氣、油品、水、鹽水、堿液、海水、硝酸、鹽酸、硫酸、磷酸等介質的管路上作為調節和截流裝置使用。
產品詳情
D43H手動硬密封蝶閥產品特點
1、采用三偏心密封結構,閥座與蝶板幾乎無磨損,具有越觀越緊的密封功能
2、密封圈選用不銹鋼制作,具有金屬硬密封和彈性密封的雙重優點,無論在低溫和高溫的情況下,均具有優良的密封性能,具有耐腐蝕,使用壽命長等特點
3、蝶板密封面采用堆焊鈷基硬質合金,密封面耐磨損,使用壽命長
4、大規格蝶板采用絎架結構,強度高,過流面積大,流阻小
5、金屬硬密封蝶閥具有雙向密封功能,安裝時不受介質流向的限制,也不受空間位置的影響,可在任何方向安裝
6、驅動裝置可以多工位(旋轉90°或180°)安裝,便于用戶使用
D43H手動硬密封蝶閥主要零件材料
名稱 | 材料 |
閥體 | 碳鋼、不銹鋼、鉻鉬釩鋼 |
閥板 | 碳鋼、不銹鋼、鉻鉬釩鋼 |
閥桿 | 2Cr13不銹鋼、鉻鉬釩鋼 |
密封圈 | 不銹鋼、聚四氟乙烯 |
填料 | 柔性石墨、聚四氟乙烯 |
D43H手動硬密封蝶閥主要技術參數
公稱通徑 | DNmm | 50-150 | ||
公稱壓力 | PNMPa | 1.0 | 1.6 | 2.5 |
試驗壓力PsMPa | 強度試驗 | 1.5 | 2.4 | 3.75 |
密封試驗 | 1.1 | 1.76 | 2.75 | |
氣密封試驗 | 0.5-0.7MPa | |||
適用介質 | 水、油品、蒸氣、酸、減等 | |||
適用溫度 | -40℃-570℃ | |||
D43H手動硬密封蝶閥執行標準
設計規范: | GB/T 12238 |
結構長度: | GB/T 12221 |
法蘭連接: | GB/T 9113 |
試驗與檢驗: | GB/T 13927 |
產品標識: | GB/T 12220 |
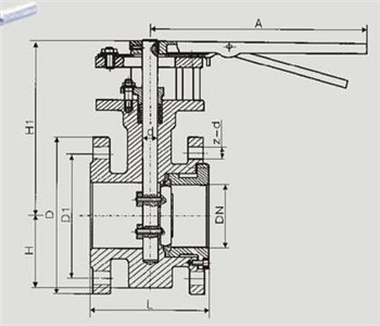
D43H手動硬密封蝶閥圖例

D43H手動硬密封蝶閥外形主要連接尺寸
通徑 | 主要尺寸 | 1.0-1.6MPa | 2.5MPa | |||||||||
mm | lncb | L | H | H1 | D | D1 | A | Z-φd | D | D1 | A | Z一φd |
50 | 2 | 108 | 75 | 192 | 165 | 125 | 275 | 4-18 | 165 | 125 | 275 | 4-18 |
65 | 21/2 | 112 | 93 | 218 | 185 | 145 | 275 | 4-18 | 185 | 145 | 275 | 8-18 |
80 | 3 | 114 | 110 | 230 | 200 | 160 | 275 | 8-18 | 200 | 160 | 275 | 8-18 |
100 | 4 | 127 | 140 | 240 | 220 | 180 | 275 | 8-18 | 235 | 190 | 275 | 8-22 |
125 | 5 | 140 | 175 | 290 | 250 | 210 | 362 | 8-18 | 270 | 220 | 362 | 8-26 |
150 | 6 | 140 | 180 | 310 | 285 | 240 | 362 | 8-22 | 300 | 250 | 362 | 8-26 |
相關新聞