
硬密封蝶閥 當前位置: 法蘭閘閥廠家> 產品中心> 硬密封蝶閥> 法蘭式金屬硬密封不銹鋼蝶閥
法蘭式金屬硬密封不銹鋼蝶閥適用于電力,熱力、高溫煤氣、可燃性氣體、熱空氣、城市供熱、供水、污水處理、化工、冶金、制糖、造紙、造船、航空、鋼鐵等企業。
產品詳情
法蘭式硬密封蝶閥特點
蝶板密封圈為軟硬多層疊式金屬圈,具有金屬硬密和彈性密封的雙重優點,無論在低溫和高溫的情況下,均具有優良的密封性能。
采用三維偏心結構,閥座與蝶板幾乎無磨擦,具有越關越緊的密封功能,具有調節功能。
法蘭式硬密封蝶閥的閥體密封封面,采用堆焊鈷基硬質合金,密封面耐磨損,使用壽命長。
法蘭式金屬硬密封不銹鋼蝶閥耐高溫,耐腐蝕。
法蘭式金屬硬密封不銹鋼蝶閥
公稱通徑 | DN(mm) | 50~2000 | |||||
公稱壓力 | PN(MPa) | 0.25 | 0.6 | 1.0 | 1.6 | 2.5 | 4.0 |
試驗壓力Ps(MPa) | 強度試驗 | 0.375 | 0.9 | 1.5 | 2.4 | 3.75 | 6.0 |
密封試驗 | O.275 | 0.66 | 1.1 | 1.76 | 2.75 | 4.4 | |
氣密封試驗 | O.5~0.8 MPa | ||||||
適用介質 | 水、油品、蒸汽、煤氣、酸、堿等 | ||||||
適用溫度 | 一40℃~5 70℃ | ||||||
法蘭式金屬硬密封不銹鋼蝶閥主要零部件材料
名稱 | 材料 |
閥體 | 碳鋼、不銹鋼、鉻鉬釩鋼 |
閥板 | 碳鋼、不銹鋼、鉻鉬釩鋼 |
閥桿 | 2Cr13不銹鋼、鉻鉬釩鋼 |
密封圈 | 不銹鋼、聚四氟乙烯、硬軟疊層式金屬片 |
閥座 | 不銹鋼、堆司太立等硬質合金 |
填料 | 柔性石墨、聚四氟乙烯 |
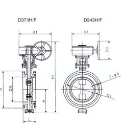
法蘭式金屬硬密封不銹鋼蝶閥主要連接及外形尺寸

公稱通徑 | 結構長度L | 外形尺寸(參考值) | 連接(標準值) | 參考 | ||||||||||
H | Dt343H | PN0.6MPa | PN1.0MPa | |||||||||||
mm | inch | 短 | 長 | H1 | A1 | B1 | D | D1 | z- d | D | D1 | z- d | ||
50 | 2 | 108 | 150 | 112 | 350 | 180 | 200 | 140 | 110 | 4-14 | 165 | 125 | 4-18 | 17 |
65 | 5/2 | 112 | 170 | 115 | 370 | 180 | 200 | 160 | 130 | 4-14 | 185 | 145 | 4-18 | 20 |
80 | 3 | 114 | 180 | 120 | 380 | 180 | 200 | 190 | 150 | 4-18 | 200 | 160 | 8-18 | 23 |
100 | 4 | 127 | 190 | 138 | 420 | 180 | 200 | 210 | 170 | 4-18 | 220 | 180 | 8-18 | 25 |
125 | 5 | 140 | 200 | 164 | 460 | 180 | 200 | 240 | 200 | 8-18 | 250 | 210 | 8-18 | 40 |
150 | 6 | 140 | 210 | 175 | 555 | 270 | 280 | 165 | 225 | 8-18 | 285 | 240 | 8-22 | 47 |
200 | 8 | 152 | 230 | 208 | 605 | 270 | 280 | 320 | 280 | 8-18 | 340 | 295 | 8-22 | 60 |
250 | 10 | 165 | 250 | 243 | 680 | 270 | 280 | 375 | 335 | 12-18 | 395 | 350 | 12-22 | 95 |
300 | 12 | 178 | 270 | 283 | 800 | 380 | 420 | 440 | 395 | 12-22 | 445 | 400 | 12-22 | 124 |
350 | 14 | 190 | 290 | 310 | 835 | 380 | 420 | 490 | 445 | 12-22 | 505 | 460 | 16-22 | 181 |
400 | 16 | 216 | 310 | 340 | 915 | 450 | 470 | 540 | 495 | 16-22 | 565 | 515 | 16-26 | 260 |
450 | 18 | 222 | 330 | 380 | 960 | 480 | 490 | 595 | 550 | 16-22 | 615 | 565 | 20-26 | 338 |
500 | 20 | 229 | 350 | 410 | 1020 | 480 | 490 | 645 | 600 | 20-22 | 670 | 620 | 20-26 | 360 |
600 | 24 | 267 | 390 | 470 | 1225 | 480 | 660 | 755 | 705 | 20-26 | 780 | 725 | 20-30 | 540 |
700 | 28 | 292 | 430 | 550 | 1355 | 640 | 660 | 860 | 810 | 24-26 | 895 | 840 | 24-30 | 580 |
800 | 32 | 318 | 470 | 640 | 1470 | 640 | 660 | 975 | 920 | 24-30 | 1015 | 950 | 24-33 | 845 |
900 | 36 | 330 | 510 | 710 | 1545 | 750 | 860 | 1075 | 1020 | 24-30 | 1115 | 1050 | 28-33 | 1050 |
1000 | 40 | 410 | 550 | 770 | 1795 | 850 | 860 | 1175 | 1120 | 28-30 | 1230 | 1160 | 28-36 | 1500 |
1200 | 48 | 470 | 630 | 890 | 1965 | 850 | 900 | 1405 | 1340 | 32-33 | 1455 | 1380 | 32-39 | 2000 |
上一條:多層次金屬硬密封不銹鋼蝶閥
下一條:硬密封焊接蝶閥
相關新聞