
耐腐閥門D341F46是為了適應一些具有強酸、強堿的腐蝕性環境,石油、化工、食品等多個特殊領域的需要,在常規蝶閥的閥內和閥板上襯聚四氟,使介質和閥體隔離,達到防腐的效果。耐腐閥門在常規條件下可以替代不銹鋼閥體,具有更高的性價比。蝶閥的蝶板安裝于管道的直徑方向。在蝶閥閥體圓柱形通道內,圓盤形蝶板繞著軸線旋轉,旋轉角度為0°~90°之間,旋轉到90°時,閥門則牌全開狀態。D341F型法蘭襯氟蝶閥適用于各種不同類型工業管道中液體和氣體(包括蒸 氣)的輸送,特別是具有嚴重腐蝕性介質的使用場合,如:硫酸、氫氟酸、磷酸、氯氣、強堿、王水等具有強腐蝕性的介質。
產品詳情
耐腐閥門采用的材料
聚全氟乙烯 FEP (F46)
適用介質:
任何有Ji溶劑或試劑,稀或濃無 機 酸,堿,酮,芳烴,氯化烴等。
使用溫度:
-85~150
特點:力學,電性能和化學穩定性基本與F4相同,但突出優點是動擊韌性
高,有Ji好的耐候性和輻射性。
聚三氟乙烯 PCTEF (F3)
適用介質:
各種有Ji溶劑,無機腐蝕液(氧化性酸類)
使用溫度:-195~120
特點:耐熱性,電性能和化學穩定性僅次于F4,機械強度,蠕變性能,硬度比F4好些
聚丙烯: RPP
適用介質:無機鹽類的水溶液,無 機 酸類,堿類的稀或濃溶液。
使用溫度:-14~80
特點:Zui輕的塑料之一,其屈服,拉伸和壓縮強度,硬度均優于低壓聚乙烯,有很突出的剛性,耐熱性好,易成型,優廉。改性后動擊性,流動性,彎曲彈性。
聚氯乙烯: 硬質)PVC
適用介質:耐水,濃堿,非氧化性酸,鏈烴,油和臭氧等。
使用溫度:0-55
特點:機械強度較高,化學穩定性及介電性能優良,耐油性和抗老性也較好,易熔接
及粘合,價格較低。
聚四氯乙烯 PTFE(F4)
使用介質:強酸,強堿,強氧化劑等。
使用溫度:-200~180
特點:具有良好的化學穩定性,有很高的耐熱性,耐寒性,磨擦系數很低,是Ji好的 自潤滑材料,但機械性能較低,流動性差,熱膨脹大。
聚偏氯乙烯 PVDF(F2)
使用介質:耐大多數化學藥品和溶劑,
使用溫度:-70~100
特點:拉紳強度與壓縮強度比F4好,耐彎折,耐候,耐輻射。耐光和老化等,Zui大特 點是韌性好,易成型。
聚烯烴:PO
適用介質: 各種濃度的酸堿鹽及某些有Ji溶劑。
使用溫度:-58~80
特點:是目前世界Zui理想的防腐材料,已廣泛用于旋轉成型的大型設備和管道件內襯。
耐腐閥門主要零部件材料表
序號 | 零件名稱 | 灰鑄鐵 | 鑄鋼 | 不銹耐酸鑄鋼 | 超低碳不銹耐酸鑄鋼 | ||
Z | C | P8 | R8 | P3 | R3 | ||
1 | 閥體/閥蓋 | A126-C | A216-WCB | A351-CF8 | A351-CF8M | A351-CF3 | A351-CF3M |
2 | 蝶板 | A216-WCB | A105 | A351-CF8 | A351-CF8M | A351-CF3 | A351-CF3M |
3 | 閥桿 | A182-F6 | A182-F304 | A182-F316 | A182-F304L | A182-F316L | |
4 | 襯里/閥座 | PTFE(F4),PCTEF(F3),FEP(F46),PFA(可溶F4),PP,PO | |||||
5 | 緊固銷 | A182-F6 | A182-F304 | A182-F316 | A182-F304L | A182-F316L | |
6 | 填料 | PTFE(F4) | PTFE(F4) | PTFE(F4) | |||
7 | 填料壓蓋 | A216-WCB | CF8 | CF8M | CF8 | CF3M | |
8 | 支架 | A216-WCB | A351-CF8 | A351-CF8 | |||
9 | 緊固螺栓 | A193-B7 | A193-B8M | A193-B8M | |||
10 | 螺母 | A194-2H | A194-8 | A194-8 | |||

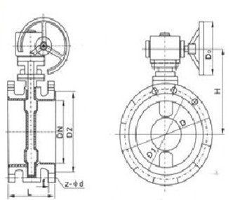
耐腐閥門主要外形和連接尺寸
公稱通經 | L | D | D1 | D2 | f | b | Z-φd | |
DN(mm) | NPS(inch) | Class 125Lb/150Lb | ||||||
80 | 3 | 127 | 190 | 152.5 | 127 | 2 | 19 | 4-φ19 |
100 | 4 | 127 | 229 | 190.5 | 157 | 2 | 24 | 8-φ19 |
125 | 5 | 127 | 254 | 216 | 186 | 2 | 24 | 8-φ22 |
150 | 6 | 127 | 279 | 241.5 | 216 | 2 | 26 | 8-φ22 |
200 | 8 | 152.4 | 343 | 298.5 | 270 | 2 | 29 | 8-φ22 |
250 | 10 | 203.2 | 406 | 362 | 324 | 2 | 31 | 12-φ25 |
300 | 12 | 203.2 | 483 | 432 | 381 | 2 | 32 | 12-φ25 |
350 | 14 | 203.2 | 533 | 476 | 413 | 2 | 35 | 12-φ29 |
400 | 16 | 203.2 | 597 | 540 | 470 | 2 | 37 | 16-φ29 |
450 | 18 | 203.2 | 635 | 578 | 533 | 2 | 40 | 16-φ32 |
500 | 20 | 203.2 | 699 | 635 | 584 | 2 | 43 | 20-φ32 |
600 | 24 | 203.2 | 813 | 749.5 | 692 | 2 | 48 | 20-φ25 |
750 | 30 | 304.8 | 887 | 846 | 813 | 2 | 45 | 44-φ23 |
900 | 36 | 304.8 | 1057 | 1009.7 | 972 | 2 | 53 | 44-φ26 |
1050 | 42 | 304.8 | 1226 | 1171.4 | 1130 | 2 | 59 | 48-φ29 |
1200 | 48 | 381 | 1392 | 1335 | 1289 | 2 | 65 | 44-φ32 |
相關新聞