
采用精密的J形彈性密封圈和三偏心多層次金屬硬密封結構,具有良好的耐腐蝕性,使用壽命長,本閥有雙向密封功能,產品符合國家GB/T13927-92閥門壓力試驗標準。被廣泛用于介質溫度≤425℃的治金 、電力、石油化工、以及給排水和市政建設等工業管道上,作調節流量和載斷流體使用。
產品詳情
氣動對夾式蝶閥D673H特點
1、本閥采用三偏心密封結構,閥座與蝶板幾乎無磨損,具有越觀越緊的密封功能。
2、密封圈選用不銹鋼制作,具有金屬硬密封和彈性密封的雙重優點,無論在低溫和高溫的情況下,均具有優良的密封性能,具有耐腐蝕,使用壽命長等特點。
3、碟板密封面采用堆焊鈷基硬質合金,密封面耐磨損,使用壽命長.
4、大規格蝶板采用絎架結構,強度高,過流面積大,流阻小。
5、本閥具有雙向密封功能,安裝時不受介質流向的限制,也不受空間位置的影響,可在任何方向安裝。
6、驅動裝置可以多工位(旋轉90°或180°)安裝,便于用戶使用。
氣動對夾式蝶閥主要技術參數
公稱通經DN(mm) | 50~2000 | |||
公稱藥理PN(MPa) | 0.6 | 1.0 | 1.6 | 2.5 |
密封試驗(MPa) | 0.66 | 1.1 | 1.76 | 2.75 |
強度試驗(MPa) | 0.9 | 1.5 | 2.4 | 3.75 |
適用溫度 | 碳鋼:-29℃~425℃ 不銹鋼:-40℃~650℃ | |||
適用介質 | 水、空氣、天然氣、油品及弱腐蝕性流體 | |||
泄漏率 | 符合GB/T13927-92標準 | |||
驅動方式 | 蝸輪傳動、電動、氣動、液動 | |||
氣動對夾式蝶閥主要零部件材料
零件名稱 | 材料 |
閥體 | WCB、合金鋼、不銹鋼、QT450-10 |
蝶板 | WCB、合金鋼、不銹鋼、QT450-10 |
閥軸 | 2Cr13不銹鋼、合金鋼 |
密封圈 | 不銹鋼圈 |
填料 | 柔性石墨 |
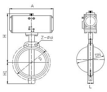
氣動對夾式蝶閥采用標準結構圖例
制造標準 | JB/T 8527-97 |
法蘭標準 | GB9113-2000 |
結構長度標準 | GB12221-89 |
檢驗標準 | GB/T 13927-92 |
氣動對夾式蝶閥采用標準結構圖例

氣動對夾式蝶閥D673H-10/16/氣動對夾式硬密封蝶閥主要外形連接尺寸(單位:mm)
公稱通經(DN) | 主要尺寸 | 法蘭尺寸和螺栓規格 | |||||
1.0MPa | 1.6MPa | ||||||
L | H | H1 | D1 | 4-Ф-M | D1 | 4-Ф-M | |
50 | 43 | 625 | 112 | 125 | Ф18 | 125 | Ф18 |
65 | 46 | 625 | 115 | 145 | Ф18 | 145 | Ф18 |
80 | 49 | 645 | 120 | 160 | Ф18 | 160 | Ф18 |
100 | 56 | 675 | 138 | 180 | Ф18 | 180 | Ф18 |
125 | 64 | 715 | 164 | 210 | Ф18 | 210 | Ф18 |
150 | 70 | 800 | 175 | 240 | Ф23 | 240 | Ф23 |
200 | 71 | 850 | 208 | 295 | M20 | 295 | M20 |
250 | 76 | 925 | 243 | 350 | M20 | 355 | M24 |
300 | 83 | 1035 | 283 | 400 | M20 | 410 | M24 |
350 | 92 | 1070 | 310 | 460 | M20 | 470 | M24 |
400 | 102 | 1190 | 340 | 515 | M24 | 525 | M27 |
450 | 114 | 1250 | 380 | 565 | M24 | 585 | M27 |
500 | 127 | 1290 | 410 | 620 | M24 | 650 | M30 |
600 | 154 | 1455 | 470 | 725 | M27 | 770 | M33 |
700 | 165 | 1585 | 550 | 840 | M27 | 840 | M33 |
800 | 190 | 1700 | 640 | 950 | M30 | 950 | M36 |
900 | 203 | 1965 | 710 | 1050 | M30 | 1050 | M36 |
1000 | 216 | 2015 | 770 | 1160 | M33 | 1170 | M39 |
1200 | 254 | 2250 | 890 | 1380 | M36 | 1390 | M45 |
上一條:耐腐閥門
下一條:中線式對夾軟密封蝶閥
相關新聞