
金屬密封蝶閥采用軟性T型兩側多層不銹鋼片組成密封圈,具有金屬硬密封和軟密封的雙重優點,無論在低溫和高溫情況下,均具有零滲漏的密封性能。正向介質壓力增大時閥板斜圓錐表面與閥座密封面擠壓越緊,蝶閥密封效果越好。當逆流狀態時,閥板與閥座之間的密封靠驅動裝置的力矩使閥板壓向閥座。隨著反向介質壓力的增大,閥板與閥座之間的單位正壓力小于介質壓強時,調節環的彈簧在受載后所儲存的變形能補償閥板與閥座密封面的緊壓力起到自動補償作用。
產品詳情
金屬密封蝶閥執行標準
設計規范:GB/T 12238
結構長度:GB/T 12221
法蘭連接:GB/T 9113
試驗與檢驗:GB/T 13927
產品標識:GB/T 12220
金屬密封蝶閥主要零部件材料
名稱 | 材料 |
閥體 | 碳鋼、不銹鋼、鉻鉬釩鋼 |
閥板 | 碳鋼、不銹鋼、鉻鉬釩鋼 |
閥桿 | 2Cr13不銹鋼、鉻鉬釩鋼 |
密封圈 | 不銹鋼、聚四氟乙烯、硬軟疊層式金屬片 |
閥座 | 不銹鋼、堆司太立等硬質合金 |
填料 | 柔性石墨、聚四氟乙烯 |
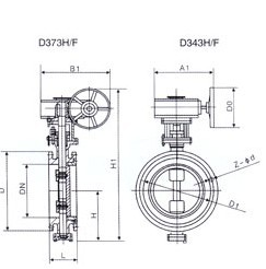
金屬密封蝶閥主要連接及外形尺寸

公稱通徑 | 結構長度L | 外形尺寸(參考值) | 連接(標準值) | 參考 | ||||||||||
H | Dt343H | PN0.6MPa | PN1.0MPa | |||||||||||
mm | inch | 短 | 長 | H1 | A1 | B1 | D | D1 | z- d | D | D1 | z- d | ||
50 | 2 | 108 | 150 | 112 | 350 | 180 | 200 | 140 | 110 | 4-14 | 165 | 125 | 4-18 | 17 |
65 | 5/2 | 112 | 170 | 115 | 370 | 180 | 200 | 160 | 130 | 4-14 | 185 | 145 | 4-18 | 20 |
80 | 3 | 114 | 180 | 120 | 380 | 180 | 200 | 190 | 150 | 4-18 | 200 | 160 | 8-18 | 23 |
100 | 4 | 127 | 190 | 138 | 420 | 180 | 200 | 210 | 170 | 4-18 | 220 | 180 | 8-18 | 25 |
125 | 5 | 140 | 200 | 164 | 460 | 180 | 200 | 240 | 200 | 8-18 | 250 | 210 | 8-18 | 40 |
150 | 6 | 140 | 210 | 175 | 555 | 270 | 280 | 165 | 225 | 8-18 | 285 | 240 | 8-22 | 47 |
200 | 8 | 152 | 230 | 208 | 605 | 270 | 280 | 320 | 280 | 8-18 | 340 | 295 | 8-22 | 60 |
250 | 10 | 165 | 250 | 243 | 680 | 270 | 280 | 375 | 335 | 12-18 | 395 | 350 | 12-22 | 95 |
300 | 12 | 178 | 270 | 283 | 800 | 380 | 420 | 440 | 395 | 12-22 | 445 | 400 | 12-22 | 124 |
350 | 14 | 190 | 290 | 310 | 835 | 380 | 420 | 490 | 445 | 12-22 | 505 | 460 | 16-22 | 181 |
400 | 16 | 216 | 310 | 340 | 915 | 450 | 470 | 540 | 495 | 16-22 | 565 | 515 | 16-26 | 260 |
450 | 18 | 222 | 330 | 380 | 960 | 480 | 490 | 595 | 550 | 16-22 | 615 | 565 | 20-26 | 338 |
500 | 20 | 229 | 350 | 410 | 1020 | 480 | 490 | 645 | 600 | 20-22 | 670 | 620 | 20-26 | 360 |
600 | 24 | 267 | 390 | 470 | 1225 | 480 | 660 | 755 | 705 | 20-26 | 780 | 725 | 20-30 | 540 |
700 | 28 | 292 | 430 | 550 | 1355 | 640 | 660 | 860 | 810 | 24-26 | 895 | 840 | 24-30 | 580 |
800 | 32 | 318 | 470 | 640 | 1470 | 640 | 660 | 975 | 920 | 24-30 | 1015 | 950 | 24-33 | 845 |
900 | 36 | 330 | 510 | 710 | 1545 | 750 | 860 | 1075 | 1020 | 24-30 | 1115 | 1050 | 28-33 | 1050 |
1000 | 40 | 410 | 550 | 770 | 1795 | 850 | 860 | 1175 | 1120 | 28-30 | 1230 | 1160 | 28-36 | 1500 |
1200 | 48 | 470 | 630 | 890 | 1965 | 850 | 900 | 1405 | 1340 | 32-33 | 1455 | 1380 | 32-39 | 2000 |
上一條:彈簧式快關蝶閥
相關新聞